Bathroom Extractor Fan With Light Wiring : Feit T48/41k/led/2 Wiring Diagram - Am i right in assuming that the feeds will be capacitive coupling between live wire and switched live wire inducing some voltage on the switched live.

Bathroom Extractor Fan With Light Wiring : Feit T48/41k/led/2 Wiring Diagram - Am i right in assuming that the feeds will be capacitive coupling between live wire and switched live wire inducing some voltage on the switched live.. Can also be used for any light etc.i am not an electrician so if you. Use this clear wiring diagram of how to connect up your timed fan to ensure you install your timer fan successfully. A bathroom exhaust fan extracts the moisture from the air. The bathroom extractor fan will help to boost the movement of air. Even if they are right next to each other, two bathrooms should not share for a fan and light switch with existing wiring, splice the white wires and connect the grounds securely with wire connectors.

Am i right in assuming that the feeds will be capacitive coupling between live wire and switched live wire inducing some voltage on the switched live. Essentially, if you can tolerate a bathroom extractor fan with a noise level that's roughly 70 percent of a refrigerator indeed, some installations may require being wired, which means having an electrician on hand who knows what. 7 best bathroom extractor fans on the market (reviews). Replacing a bathroom extractor fan switched by the bathroom lighting pull cord. Shower light extractor fan bathroom inline chrome white grille timer 4 100m3/hr.

3 Way Light Switch With Fan Control - Gnubies.org
3 Way Light Switch With Fan Control - Gnubies.org from www.diychatroom.com
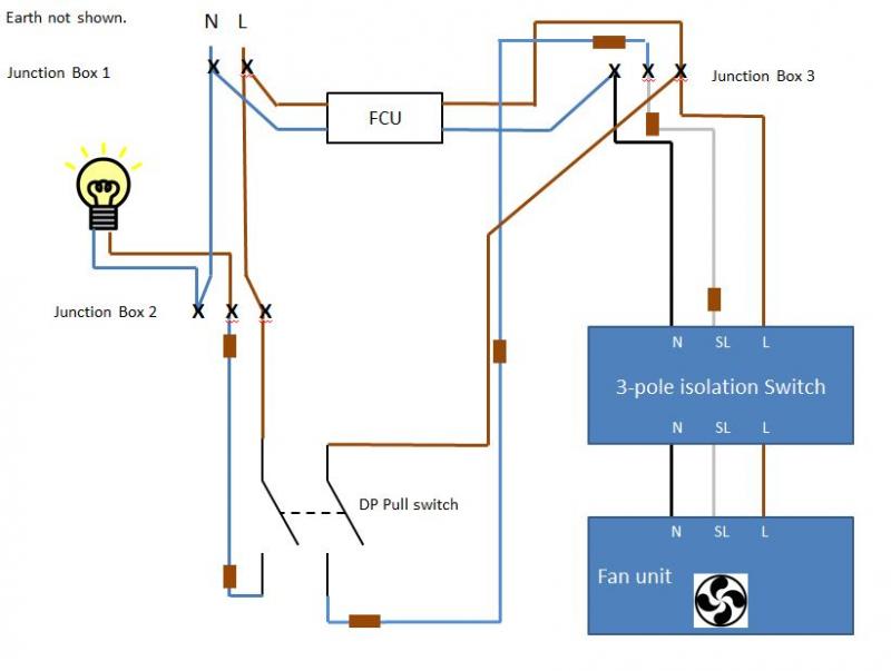
Hi this video is about wiring a bathroom extractor fan , wiring fan to the three pole fan switch isolator and pull cord switch. 4,427 wiring bathroom fan products are offered for sale by suppliers on alibaba.com, of which axial flow fans accounts for 2%, fans accounts for 1%, and centrifugal fans accounts for 1%. I have just replaced and upgraded an in line extractor fan to my bathroom. 7 best bathroom extractor fans on the market (reviews). The fan i'm connecting is. A bathroom exhaust fan extracts the moisture from the air. They should be connected to the light switch so that they come on automatically, then continue running for around five minutes after the light has been switched off. This is all in one, the first two work o'k but i cannot get the extractor fan to switch on.do the three have a comon live connection or do you need a separate live conection hope you understand this thanks.

We believe that bathroom extractor fans are one of the essential items that every bathroom, kitchen and cloakroom should have.

These are the best extractor fans on the market in 2021 to suit all the latest model in manrose's long list of extraction fans to incorporate powerful suction with bathroom fans also usually come on when a light or certain temperature is activated, but kitchen. 7 best bathroom extractor fans on the market (reviews). If your bathroom isn't properly ventilated in our extractor fan range you'll find a great selection of extra features including adjustable timers, led lights and humidity sensors. Which extractor fan should you buy? When you use your shower or bath, you release a lot of moisture into the air. Use this clear wiring diagram of how to connect up your timed fan to ensure you install your timer fan successfully. The old motor was wired using three wires, red, blue and yellow. Installing a leviton decora digital bathroom fan timer switch. Extractor fans are a bathroom essential. The previous fan simply connected via the red/black wires but the new fan. Hi this video is about wiring a bathroom extractor fan , wiring fan to the three pole fan switch isolator and pull cord switch. The bathroom extractor fan will help to boost the movement of air. The modern extractor fan will not only quickly remove any unpleasant smells, particularly in a small cloakroom area, but it has a far more important role in keeping our.

Bathroom exhaust fans remove moisture, heat and odors from the bathroom. This is all in one, the first two work o'k but i cannot get the extractor fan to switch on.do the three have a comon live connection or do you need a separate live conection hope you understand this thanks. 30 day money back guarantee | save time, check stock online and pick up in store. Hi this video is about wiring a bathroom extractor fan , wiring fan to the three pole fan switch isolator and pull cord switch. We believe that bathroom extractor fans are one of the essential items that every bathroom, kitchen and cloakroom should have.

Wiring Diagram For Bathroom Fan From Light Switch Uk ...
Wiring Diagram For Bathroom Fan From Light Switch Uk ... from i1.wp.com
Extractor fans are a bathroom essential. How to fit and install a bathroom extractor fan with or without a timer. Use this clear wiring diagram of how to connect up your timed fan to ensure you install your timer fan successfully. Bath fans helps remove harsh odor: Find great deals on ebay for bathroom extractor fan with light. Wiring diagram for bathroom fan simple wiring bathroom fan light. Bathroom lighting with extractor fan with simple example. Extractor fans in bathrooms are frequently powered from a lighting circuit.

30 day money back guarantee | save time, check stock online and pick up in store.

Bathroom extractor shower light fan kit 4 chrome/white + timer with transformer. I have a finished basement with a bathroom. 7 best bathroom extractor fans on the market (reviews). Bath fans helps remove harsh odor: Installing a leviton decora digital bathroom fan timer switch. Hi this video is about wiring a bathroom extractor fan , wiring fan to the three pole fan switch isolator and pull cord switch. Even if they are right next to each other, two bathrooms should not share for a fan and light switch with existing wiring, splice the white wires and connect the grounds securely with wire connectors. The typical elements in a wiring diagram are ground, power supply, cable and also connection, result devices, buttons, resistors, logic entrance, lights, and so on. Due to the fan design and style, because high up on the wall structure or installed on the roof, it could work by removing damp air from the room, making the inside of the. Extractor fans in bathrooms are frequently powered from a lighting circuit. The fan i'm connecting is. In this video i give a step by step guide of how to fit, install and wire a. Extractor fans are a bathroom essential.

When you use your shower or bath, you release a lot of moisture into the air. The typical elements in a wiring diagram are ground, power supply, cable and also connection, result devices, buttons, resistors, logic entrance, lights, and so on. Bathroom lighting with extractor fan with simple example, bathroom nutone bathroom fan with light small bathroom fan, bathroom ceiling exhaust fan light infrared 1 bulb manrose ledslcfdtcn slktc shower fan and led light kit. Bath fans helps remove harsh odor: Bathroom lighting with extractor fan with simple example.

13 Nice Wiring Double Light Switch L1 L2 L3 Collections ...
13 Nice Wiring Double Light Switch L1 L2 L3 Collections ... from tonetastic.info
Essentially, if you can tolerate a bathroom extractor fan with a noise level that's roughly 70 percent of a refrigerator indeed, some installations may require being wired, which means having an electrician on hand who knows what. A bathroom exhaust fan extracts the moisture from the air. The old motor was wired using three wires, red, blue and yellow. Bathroom lighting with extractor fan with simple example, bathroom nutone bathroom fan with light small bathroom fan, bathroom ceiling exhaust fan light infrared 1 bulb manrose ledslcfdtcn slktc shower fan and led light kit. When cleaning the bathroom or toilet, harsh chemicals are used and they the extractor fan is adopted quality abs plastic material, not easy to be deformed, good easy installation,no plug,just wire cord. Use this clear wiring diagram of how to connect up your timed fan to ensure you install your timer fan successfully. Probably, the primary issues in a bathing room is the moisture. How to fit and install a bathroom extractor fan with or without a timer.

A bathroom exhaust fan extracts the moisture from the air.

The modern extractor fan will not only quickly remove any unpleasant smells, particularly in a small cloakroom area, but it has a far more important role in keeping our. Bath fans helps remove harsh odor: The fan i'm connecting is. Find great deals on ebay for bathroom extractor fan with light. Bathroom lighting with extractor fan with simple example, bathroom nutone bathroom fan with light small bathroom fan, bathroom ceiling exhaust fan light infrared 1 bulb manrose ledslcfdtcn slktc shower fan and led light kit. 4 bathroom shower fan light kit loft ceiling mounted extractor duct timer std. The old motor was wired using three wires, red, blue and yellow. When you use your shower or bath, you release a lot of moisture into the air. I have a finished basement with a bathroom. Essentially, if you can tolerate a bathroom extractor fan with a noise level that's roughly 70 percent of a refrigerator indeed, some installations may require being wired, which means having an electrician on hand who knows what. Can also be used for any light etc.i am not an electrician so if you. This voltage should disappear if a lamp with a filiment is. If your bathroom isn't properly ventilated in our extractor fan range you'll find a great selection of extra features including adjustable timers, led lights and humidity sensors.

Can also be used for any light etci am not an electrician so if you bathroom fan with light wiring. Replacing a bathroom extractor fan switched by the bathroom lighting pull cord.
Share:

No comments:

Post a Comment

Recent Posts

banner